调光led筒灯安规认证要求
led筒灯有着严格的安规要求。我国的3C认证、欧盟 CE 认证等都对 EMC 、 PF 作了具体的规定,欧盟正式发布定向灯和 LED 灯及其相关设备的 ErP 实施措施。其中3C认证要求灯具必须通过 EMC 插入损耗、 EMC 端子骚扰电压、 EMC 辐射电磁骚扰、 EMC 谐波等测试并符号要求。
>( EU )NO1194/2012《关于定向灯、 LED 灯及相关设备生态设计要求的实施措施》。
> LED 筒灯电源要选择通过3C或 CE 认证的电源,同时要选择效率高、 PF 值的电源。
美国强制的 FCC 和澳洲的 C - TICK ,是指 EMC 与 EMS 认证, CE 认证包括 EMC 和 LVD 。
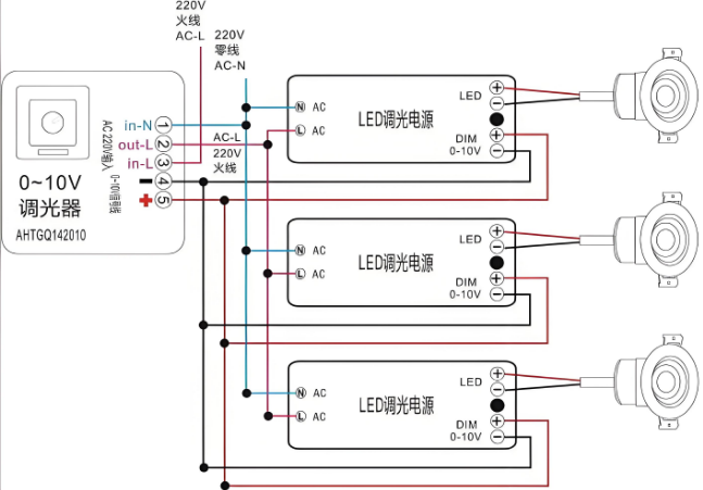
LED 调光筒灯就是将电源更换为调光电源,要注意 LED 调光筒灯在调光时是否闪烁,是否兼容智能调光系统。 LED 调光筒灯稳定性和兼容性好,调光无闪烁,还要兼容路创、邦奇、 ABB 、快思聪、永林、河东等等各类调光系统。 LED 调光筒灯调光示意图如图所示。 LED 调光筒灯调光电源可兼容前沿斩波调光器和后沿斩波调光器。
在电压220V频率50Hz的交流电源条件下,调光器调至最大调节状态,产品应完全满足CQC3128-2013《 LED 筒灯节能认证技术规范》的各项要求。调光状态下的光通量应在标称范围内连续可调或均匀可调;产品在调光过程中,应能保持正常工作状态,不允许出现熄灭的情况。

注意事项:
在输入端交流相线( L )前串接晶闸管调光器,即可调节电源输出恒电流数值。请尽量使用功率小一些的调光器,以获得更宽的调光范围。大功率调光器很难实现输出电流调到零。
智能一体化调光调色温led筒灯采用2.4G高频无线微触按键遥控控制,具有功耗低、传输距离远、空中通信速率高,抗干扰性更强,稳定性更高和灯体响应一致性很好等特点;遥控器外形时尚美观,功能实用简单;采用目前最先进的 PWM (脉宽调制)控制技术;无线电发射频率为2400~2483.5MHz(2.4G),全球通用;遥控距离20~30m。具有调光、调色温、小夜灯模式等等功能;在遥控范围内,一个遥控器可以控制无数个 LED 灯,而且同步性、一致性很好。将不同的灯分到不同的组,最多分4组,自由分组,同时控制或分别控制,在完成 LED 灯和遥控器的系统对码匹配和分组完成后,就可以实现各种功能的无线控制。

调光led筒灯接线图