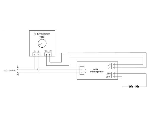
0-10v 调光原理简述
0-10v 调光是一种常用于调光系统的模拟电压调光方式,其原理是通过改变灯具输入的电压来控制光的亮度。当输入电压为 10v 时,灯具会达到最大亮度,就如同将灯光开到最亮的状态;而当输入电压降低至 0v 时,灯具则会关闭,灯光随之熄灭。在 0v 到 10v 这个区间内,通过调整输入电压的具体大小数值,可以实现灯具的连续调光,以此满足大家在不同场景下的个性化照明需求,比如在卧室休息时可以调暗灯光营造舒适氛围,在书房工作时则可以调亮一些保证充足照明等。
分体式灯管接线
分体式 0-10v 调光 led 灯管在接线时有单端通电和双端通电这两种常见情况,以下为您详细介绍其接线要点及注意事项。
单端通电接线方法:led 灯管的一端不接线,另外一端两根针分别引线到恒流驱动电源上,并且两个灯头之间没有任何的连接关系。这种接线方式最大的好处就是安全,即便灯管一端接上了交流电,另一端也不会带电。比如在一些只需单边供电的照明场景中,采用单端通电接线就能很好地满足需求,同时降低了意外触电等安全风险。
双端通电接线方法:led 灯管灯头每一头的两个针脚内部是分别短接在一起的,当作一个电极使用,重点是只需要一根针通电就可以了,外面再分别接电源的火线 L 和零线 N。我们可以通过万用表来进行判断,两头短路时电阻均为零,两端之间的电阻则相对较大。在像一些需要两端同时供电来保障灯管稳定发光,提供均匀照明效果的场所,如较长的灯带或者大型的照明区域等,双端通电接线方式就更为适用。
不过,无论是单端通电还是双端通电接线,都需要提前关闭电源,防止在接线过程中出现触电危险。而且在接线完成后,要仔细检查各连接点是否牢固,避免出现松动导致接触不良等问题,随后再通电测试灯管能否正常工作。
一体化灯管接线
一体化 0-10v 调光 led 灯管接线相对来说较为简便,以下是具体的接线步骤和相关要点。
首先,将厂家配备的接头插入灯头内,这是很关键的一步,要确保接头插入到位,保证连接的稳固性。然后,对于接线位置,通常是把黄绿线接地线,其它两根线分别接火线和零线即可。一般单头的两个脚分别接零线和火线,这里要注意的是不需要镇流器和起辉器(就是会闪烁的那个圆柱体),而且像 t8 一体化 led 灯管和 t5 一体化 led 灯管接线图是一样的,它们一般都是 3 根线。例如在家庭室内照明或者小型商业场所的照明灯具中,如果采用的是一体化 led 灯管,按照这样的接线方式操作,就能让灯管正常发光工作,为空间提供合适的照明亮度。
在接线过程中,同样要先关闭电源,并且仔细核对好各线路,避免接错,接线完成后也要认真检查,防止出现短路等异常情况,保障使用安全和灯管的正常调光功能。

接线注意事项
在进行 0-10v 调光 led 灯管接线时,以下这些注意事项您可得牢记于心:
把控控制器输出电压范围
首先要确保调光控制器的输出电压范围在 0-10v 之间,这是实现正常调光的基础条件。因为一旦输出电压超出这个范围,比如高于 10v,可能会使灯具长时间处于过载状态,容易损坏灯具的内部电路元件,缩短灯具使用寿命;而若电压低于 0v 或者达不到相应的启动电压要求,灯具则可能无法正常点亮,也就没办法实现调光功能了。例如在一些大型会议室使用 0-10v 调光 led 灯管进行照明布置时,如果控制器输出电压异常,就会影响整个会议场景的灯光氛围营造,甚至导致照明故障。
严格遵循产品说明书接线
不同型号、不同款式的 0-10v 调光 led 灯管,其接线方式可能存在差异。有的灯管可能是分体式设计,接线时要区分单端通电和双端通电的不同接法;而一体化灯管又有着自己特定的接线步骤和要点。所以在接线前,务必仔细查看产品说明书,严格按照说明书上标注的接线方法来操作。像郎特科技生产的某些型号的一体化 0-10v 调光 led 灯管,就需要先将厂家配备的接头插入灯头内并确保插入到位,然后按照黄绿线接地线,其它两根线分别接火线和零线的规则接线。若不依照说明书接线,随意连接线路,很可能出现火线和零线接反的情况,这不仅会使灯具无法正常调光,还可能造成内部电路损坏,严重时甚至引发火灾等安全事故。
保持灯具调光输入端与电源的合理距离
灯具的调光输入端和电源之间应保持一定的距离,避免两者距离过近产生干扰,进而导致调光效果不佳。比如在一些空间有限的配电箱附近安装 0-10v 调光 led 灯管时,如果没有注意这个距离问题,调光时可能会出现灯光闪烁、亮度不稳定等现象,影响正常的照明体验和使用效果。
避免灯具过载使用
在安装和使用过程中,要避免灯具过载使用。灯具的功率都是有一定额定值的,如果接入的电源功率过大,超出了灯具可承受的范围,长时间下来灯具就容易因过热而损坏内部的电子元件,像 led 芯片、驱动电源等关键部件都可能被烧坏,使得灯具无法正常工作。相反,若电源功率过小,灯具则可能无法达到正常的亮度,也没办法实现有效的调光操作。例如在商业店铺照明中,同时开启过多的 0-10v 调光 led 灯管,而电源总功率却没有与之匹配,就容易出现灯具过载的问题,影响店铺的正常照明以及灯光氛围营造。
总之,只有在接线过程中充分留意这些注意事项,才能确保接线安全,同时让 0-10v 调光 led 灯管发挥出良好的调光效果,满足各种不同场景下的照明需求。

灯具与电源匹配要点
在使用 0-10v 调光 led 灯管时,灯具与电源的匹配是至关重要的一点,特别是电源功率和灯具总功率的匹配情况,直接影响着灯具能否正常工作以及其使用寿命等。
从原理上来说,灯具的功率和电源的功率应该相互匹配,这样才能保证灯具正常工作。如果电源的功率过大,可能会导致灯具短路或过热,甚至损坏灯具。因为过大的电源功率意味着可能会有过大的电流通过灯具,对于 LED 灯而言,LED 灯的亮度和寿命与驱动电流直接相关,过大电流会加速 LED 灯的老化,影响其寿命,像 LED 芯片、驱动电源等关键部件都可能因长时间过热而被烧坏,使得灯具无法正常工作。例如在一些商业店铺照明中,若接入的电源功率远超灯具可承受范围,同时开启过多的 0-10v 调光 led 灯管时,就容易出现灯具过载损坏的问题,影响店铺的正常照明以及灯光氛围营造。
而如果电源的功率过小,可能会导致灯具亮度降低,影响使用效果,也没办法实现有效的调光操作,比如灯具无法达到正常的亮度等情况出现。
所以,在选择电源时,一般来说电源的功率应略大于灯具的额定功率,但不能过大。同时还要考虑电源的电压、电流和稳定性等因素,电源的输出电压应该与灯具的额定电压相匹配,输出电流也应与灯具的额定电流相匹配,并且电源要具备稳定的输出电压和电流,这样才能保证灯具的正常工作。
不过,对于很多使用者来说,准确把握电源与灯具的匹配并非易事。因此,建议大家在购买调光灯具时,咨询专业人士或者直接联系郎特科技的工作人员,让专业人员帮忙把关,确保选择到合适的电源,保障灯具可以正常使用,充分发挥其 0-10v 调光功能,满足各种不同场景下的照明需求。